Product Summary
The MC7815BT is a positive voltage regulator. It is designed as fixed voltage regulators for a wide variety of applications including local, card regulation. These regulators employ internal current limiting, thermal shutdown, and safearea compensation. With adequate heatsinking they can deliver output currents in excess of 1.0 A.
Parametrics
MC7815BT absolute maximum ratings: (1)input voltage: 35V; (2)Power dissipation: internally limited; (3)thermal resistance: 65℃/W; (4)storage junction temperature range: -65 to 150℃; (5)operating junction temperature: 150℃.
Features
MC7815BT features: (1)Output Current in Excess of 1.0 A; (2)No External Components Required; (3)Internal Thermal Overload Protection; (4)Internal Short Circuit Current Limiting; (5)Output Transistor SafeArea Compensation; (6)Output Voltage Offered in 2% and 4% Tolerance.
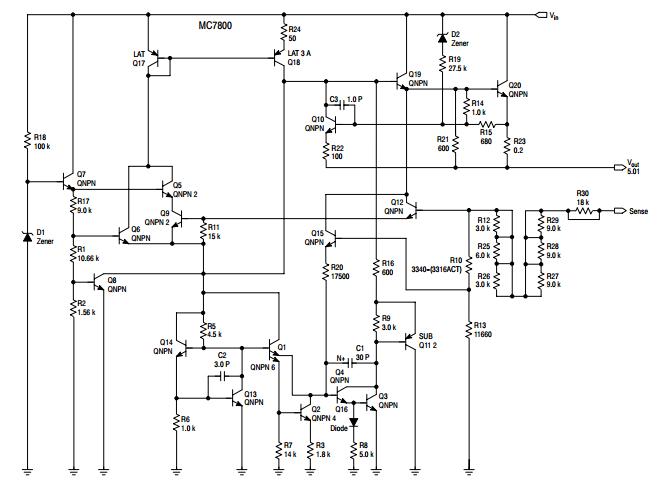
Diagrams

| Image | Part No | Mfg | Description | ![]() |
Pricing (USD) |
Quantity | ||||||||||||
|---|---|---|---|---|---|---|---|---|---|---|---|---|---|---|---|---|---|---|
![]() |
![]() MC7815BT |
![]() ON Semiconductor |
![]() Linear Regulators - Standard 15V 1A Postive |
![]() Data Sheet |
![]() Negotiable |
|
||||||||||||
![]() |
![]() MC7815BTG |
![]() ON Semiconductor |
![]() Linear Regulators - Standard 15V 1A Postive |
![]() Data Sheet |
![]()
|
|
||||||||||||
(China (Mainland))








