Product Summary
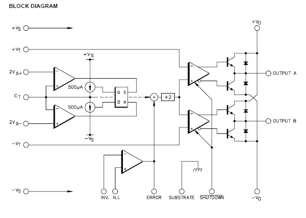
The SG3731N is a pulse width modulator circuit designed specifically for DC motor control. It provides a bidirectional pulse train output in response to the magnitude and polarity of an analog error signal input. The SG3731N is useful as the control element in motor-driven servo systems for precision positioning and speed control, as well as in audio modulators and amplifiers using carrier frequencies to 350 KHz.
Parametrics
SG3731N absolute maximum ratings: (1)Supply Voltage (±VS): ±18V; (2)Analog Inputs: ±VS; (3)Digital Inputs (SHUTDOWN): -VS-0.3V to -VS+18V; (4)Output Driver Supply Voltage (±VO): ±25V; (5)Source/Sink Output Current (continuous): 200mA; (6)Source/Sink Output Current (peak, 500ns): 400mA; (7)Output Driver Diode Current (continuous): 200mA; (8)Output Driver Diode Current (peak, 500ns): 400mA; (9)Operating Junction Temperature: Hermetic (J - Package), 150℃; Plastic (N - Package), 150℃; (10)Storage Temperature Range: -65 to 150℃; (11)Lead Temperature (Soldering, 10 Seconds): 300℃.
Features
SG3731N features: (1)±3.5V to ±15V control supply; (2)±2.5V to ±22V driver supply; (3)Dual 100mA source/sink output drivers; (4)5KHz to 350KHz oscillator range; (5)High slew rate error amplifier; (6)Adjustable deadband operation; (7)Digital SHUTDOWN input.
Diagrams

|  |  SG370S-C |  Panduit |  Cable Ties Cable Tie SG Series 15.3"L (389mm) St |  Data Sheet |  
 |  | ||||||||||||
|  |  SG370S-C0 |  Panduit |  Cable Ties Cable Tie SG Series 15.3"L (389mm) St |  Data Sheet |  
 |  | ||||||||||||
|  |  SG370S-M |  Panduit |  Cable Ties Cable Tie, SG Series, 15.3"L (389mm), St |  Data Sheet |  Negotiable |  | ||||||||||||
|  |  SG370S-M0 |  Panduit |  Cable Ties Cable Tie, SG Series, 15.3"L (389mm), St |  Data Sheet |  Negotiable |  | ||||||||||||
|  |  SG3731 |  Other |  |  Data Sheet |  Negotiable |  | ||||||||||||
|  |  SG375500D-24 |  FerriShield |  EMI Connector Gaskets D Shape RFI Shielding Gasket |  Data Sheet |  
 |  | ||||||||||||
 (China (Mainland))
 (China (Mainland)) 
                         
                        
 
                                    




