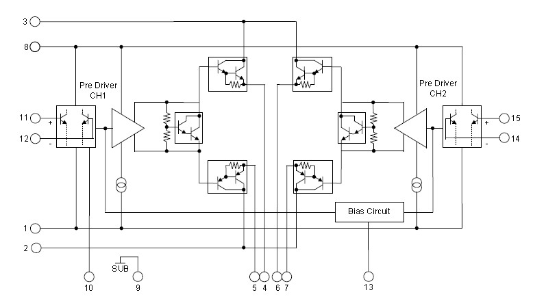
Product Summary
The STK433-130-E is a hybrid IC designed to be used in 150W × 2ch class AB audio power amplifiers.
Parametrics
STK433-130 absolute maximum ratings: (1)Maximum quiescent supply voltage 0 VCC max (0) When no signal: ±71.5 V; (2)Maximum supply voltage 1 VCC max (1) RL≥6Ω: ±62 V; (3)Minimum operating supply voltage VCC min: ±10 V; (4)Maximum operating flow-in current (pin 13) IST OFF max: 0.6 mA; (5)Thermal resistance θj-c Per power transistor: 1.6 ℃/W; (6)Junction temperature Tj max Both the Tj max and Tc max conditions must be met. :150 ℃; (7)IC substrate operating temperature Tc max: 125 ℃; (8)Storage temperature Tstg: -30 to +125 ℃; (9)Allowable load shorted time *4 ts VCC=±44V, RL=6Ω, f=50Hz, PO=100W, 1-channel active: 0.3 s.
Features
STK433-130 features: (1)Pin-to-pin compatible outputs ranging from 80W to 150W; (2)Can be used to replace the STK433-000 series (30W to 60W/2ch) and STK433-200/-300 series (3-channel) due to its pin compatibility; (3)Output load impedance: RL = 6Ω supported; (4)Allowable load shorted time: 03 second; (5)Allows the use of predesigned applications for standby and mute circuits.
Diagrams

| Image | Part No | Mfg | Description | ![]() |
Pricing (USD) |
Quantity | ||||||||||||
|---|---|---|---|---|---|---|---|---|---|---|---|---|---|---|---|---|---|---|
![]() |
![]() STK433-130-E |
![]() Other |
![]() |
![]() Data Sheet |
![]() Negotiable |
|
||||||||||||
![]() |
![]() STK433-130N-E |
![]() ON Semiconductor |
![]() Audio Amplifiers AF POWER AMPLIFIE |
![]() Data Sheet |
![]()
|
|
||||||||||||
(China (Mainland))









