Product Summary
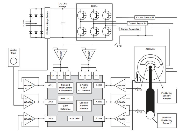
The ADS7869I is a motor control front-end that includes three analog-to-digital converters (ADCs) with a total of seven sample-and-hold capacitors and 12 fully differential input channels. There are four sign comparators connected to four input channels. There are also three additional fully differential inputs; each input is connected to a window comparator and a sign comparator. Its applications include motor control.
Parametrics
ADS7869I absolute maximum ratings: (1)supply voltage: -0.3 to 6V; (2)Supply voltage, BVDD to BGND: -0.3 to 6V; (3)Analog input voltage with respect AGND: -0.3 to 0.3V; (4)Digital input voltage with respect to BGND: -0.3 to 0.3V; (5)Operating junction temperature range: -40 to 150℃; (6)operating free-air temperature range: -40 to 85℃.
Features
ADS7869I features: (1)Seven Simultaneously-Sampling Sample-and-Hold (S/H) Capacitors; (2)Fully Differential Inputs; (3)Flexible Digital Interface with Four Modes; (4)Two Up—Down Counter Modules On-Chip; (5)12-Bit System Gain Adjustment for Every Channel; (6)12-Bit Accurate System Offset Adjustment for Every Channel.
Diagrams

| Image | Part No | Mfg | Description | ![]() |
Pricing (USD) |
Quantity | ||||||||||||
|---|---|---|---|---|---|---|---|---|---|---|---|---|---|---|---|---|---|---|
![]() |
![]() ADS7869IPZT |
![]() Texas Instruments |
![]() Motor / Motion / Ignition Controllers & Drivers 12Ch 7Simul Sampling Ana Motor Cntrl |
![]() Data Sheet |
![]()
|
|
||||||||||||
![]() |
![]() ADS7869IPZTG4 |
![]() Texas Instruments |
![]() Motor / Motion / Ignition Controllers & Drivers 12Ch 7Simul Sampling Ana Motor Cntrl |
![]() Data Sheet |
![]()
|
|
||||||||||||
![]() |
![]() ADS7869IPZTT |
![]() Texas Instruments |
![]() Video ICs Analog Motor Control Front-End |
![]() Data Sheet |
![]() Negotiable |
|
||||||||||||
![]() |
![]() ADS7869IPZTR |
![]() Texas Instruments |
![]() Motor / Motion / Ignition Controllers & Drivers Analog Motor Control Front-End |
![]() Data Sheet |
![]()
|
|
||||||||||||
![]() |
![]() ADS7869IPZTRG4 |
![]() Texas Instruments |
![]() Motor / Motion / Ignition Controllers & Drivers Analog Motor Control Front-End |
![]() Data Sheet |
![]()
|
|
||||||||||||
(China (Mainland))









