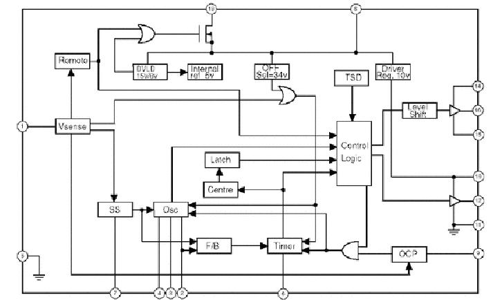
Product Summary
The MCZ3001DB is Shindengen IC, pulse width modulation. The device is suitable for 18 DIP. It is same as Sony 670581001, 670335501, and Hitachi CP08451U. The device is recommended replacement for MCZ3001D, MCZ3001DA, 875967030. It is used on Sony LCD rear projection modules and Sony D board power supplies.
Diagrams

|  |  MCZ33094EG |  Freescale Semiconductor |  Voltage & Current References TFI-4 IGNITION IC |  Data Sheet |  Negotiable |  | ||||
|  |  MCZ33094EGR2 |  Freescale Semiconductor |  Voltage & Current References TFI-4 IGNITION IC |  Data Sheet |  Negotiable |  | ||||
|  |  MCZ33099CEG |  Freescale Semiconductor |  Linear Regulators - Standard ALT. VOLT REG 14.6 |  Data Sheet |  Negotiable |  | ||||
|  |  MCZ33099CEGR2 |  Freescale Semiconductor |  Linear Regulators - Standard ALT. VOLT REG 14.6 |  Data Sheet |  Negotiable |  | ||||
|  |  MCZ33099EG |  Freescale Semiconductor |  Linear Regulators - Standard ALT. VOLT REG 14.8 |  Data Sheet |  Negotiable |  | ||||
|  |  MCZ33099EGR2 |  Freescale Semiconductor |  Linear Regulators - Standard ALT. VOLT REG 14.8 |  Data Sheet |  Negotiable |  | ||||
 (China (Mainland))
 (China (Mainland)) 
                         
                        
 
                                    




