Product Summary
The FS450R17KE4 is an econopack module with trench/fieldstop IGBT4 and emitter controlled3 diode.
Parametrics
FS450R17KE4 absolute maximum ratings:(1)Kollektor-Emitter-Sperrspannung collector-emitter voltage:1700V; (2)Kollektor-Dauergleichstrom DC-collector current:600A; (3)Periodischer Kollektor Spitzenstrom repetitive peak collector current: 900 A; (4)Gesamt-V erlustleistung total power dissipation:2500 W; (5)Gate-Emitter-Spitzenspannung gate-emitter peak voltage:+/-20 V.
Features
FS450R17KE4 features: (1)Gate-Schwellenspannung gate threshold voltage Ic & 18,0 mA, VCE & VGE, Tvj & 25°C VGEth: 5,2 5,8 6,4 V; (2)Gateladung gate charge VGE &-15 V... +15 V QG: 4,60 JC; (3)Interner Gatewiderstand internal gate resistor Tvj & 25°C RGint: 1,7 N.
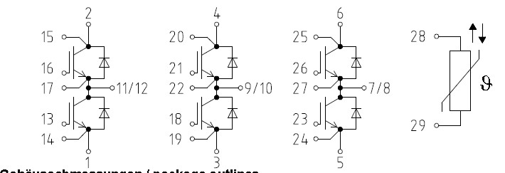
Diagrams

| Image | Part No | Mfg | Description | ![]() |
Pricing (USD) |
Quantity | ||||||||
|---|---|---|---|---|---|---|---|---|---|---|---|---|---|---|
![]() |
![]() FS450R17KE4 |
![]() Infineon Technologies |
![]() IGBT Modules IGBT 1700V 450A |
![]() Data Sheet |
![]()
|
|
||||||||
| Image | Part No | Mfg | Description | ![]() |
Pricing (USD) |
Quantity | ||||||||
![]() |
![]() FS450R12KE3 |
![]() Infineon Technologies |
![]() IGBT Modules 1200V 450A 3-PHASE |
![]() Data Sheet |
![]()
|
|
||||||||
![]() |
![]() FS450R12KE4 |
![]() Infineon Technologies |
![]() Discrete Semiconductor Modules 1200V 450A IGBT4 |
![]() Data Sheet |
![]()
|
|
||||||||
![]() |
![]() FS450R17KE3 |
![]() Infineon Technologies |
![]() IGBT Modules 1700V 450A 3-PHASE |
![]() Data Sheet |
![]()
|
|
||||||||
![]() |
![]() FS450R17KE4 |
![]() Infineon Technologies |
![]() IGBT Modules IGBT 1700V 450A |
![]() Data Sheet |
![]()
|
|
||||||||
(China (Mainland))









