Product Summary
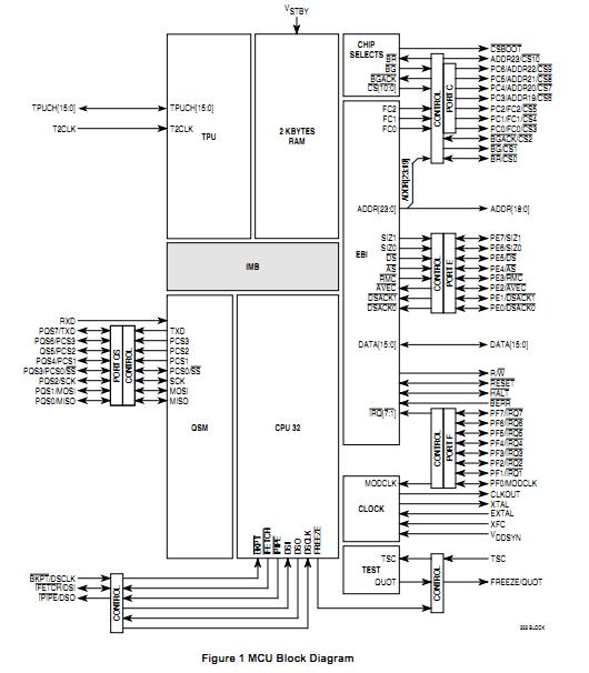
The MC68332ACEH20 is a highly-integrated 32-bit microcontroller, combines high-performance data manipulation capabilities with powerful peripheral subsystems. The MCU is built up from standard modules that interface through a common intermodule bus (IMB). Standardization facilitates rapid development of devices tailored for specific applications. The MC68332ACEH20 incorporates a 32-bit CPU (CPU32), a system integration module (SIM), a time processor unit (TPU), a queued serial module (QSM), and a 2-Kbyte static RAM module with TPU emulation capability (TPURAM).
Parametrics
MC68332ACEH20 absolute maximum ratings: (1)RAM Size: 2K x 8; (2)Number of I/O: 15; (3)Package / Case: 132-BQFP Bumpered; (4)Speed: 20MHz; (5)Oscillator Type: Internal; (6)Packaging: Tray; (7)Program Memory Type: ROMless; (8)Core Processor: CPU32; (9)Core Size: 32-Bit; (10)Operating Temperature: -40 to 85℃; (11)Voltage - Supply (Vcc/Vdd): 4.5 V to 5.5 V; (12)Lead Free Status: Lead Free; (13)RoHS Status: RoHS Compliant.
Features
MC68332ACEH20 features: (1)32-Bit Architecture; (2)Virtual Memory Implementation; (3)Table Lookup and Interpolate Instruction; (4)Improved Exception Handling for Controller Applications; (5)High-Level Language Support; (6)Background Debugging Mode; (7)Fully Static Operation ; (8)External Bus Support; (9)Programmable Chip-Select Outputs; (10)System Protection Logic; (11)Watchdog Timer, Clock Monitor, and Bus Monitor; (12)Two 8-Bit Dual Function Input/Output Ports; (13)One 7-Bit Dual Function Output Port; (14)Phase-Locked Loop (PLL) Clock System.
Diagrams

| Image | Part No | Mfg | Description | ![]() |
Pricing (USD) |
Quantity | ||||||||||||
|---|---|---|---|---|---|---|---|---|---|---|---|---|---|---|---|---|---|---|
![]() |
![]() MC68332ACEH20 |
![]() Freescale Semiconductor |
![]() 32-bit Microcontrollers (MCU) 32BIT MCU 2KRAM TPU QSM |
![]() Data Sheet |
![]()
|
|
||||||||||||
| Image | Part No | Mfg | Description | ![]() |
Pricing (USD) |
Quantity | ||||||||||||
![]() |
![]() MC6800 |
![]() Other |
![]() |
![]() Data Sheet |
![]() Negotiable |
|
||||||||||||
![]() |
![]() MC6801 |
![]() Other |
![]() |
![]() Data Sheet |
![]() Negotiable |
|
||||||||||||
![]() |
![]() MC68020 |
![]() Other |
![]() |
![]() Data Sheet |
![]() Negotiable |
|
||||||||||||
![]() |
![]() MC68020CEH16E |
![]() Freescale Semiconductor |
![]() Microprocessors (MPU) 32-BIT MPU |
![]() Data Sheet |
![]() Negotiable |
|
||||||||||||
![]() |
![]() MC68020CEH25E |
![]() Freescale Semiconductor |
![]() Microprocessors (MPU) 32-BIT MPU |
![]() Data Sheet |
![]() Negotiable |
|
||||||||||||
![]() |
![]() MC68020CRC16E |
![]() Freescale Semiconductor |
![]() Microprocessors (MPU) 32-BIT MPU |
![]() Data Sheet |
![]() Negotiable |
|
||||||||||||
(China (Mainland))










