Product Summary
The IB2405LS-1W is a fixed input, isolated regulated single output DC-DC converter. The IB2405LS-1W is specially designed for applications where a single power supply is highly isolated from the input power supply in a distributed power supply system on a circuit board.
Parametrics
IB2405LS-1W absolute maximum ratings: (1)storage temperature: -55 to 125℃; (2)operating temperature: -40 to 85℃; (3)lead temperature: 300℃; (4)output power: 1W; (5)switching frequency: 100KHz.
Features
IB2405LS-1W features: (1)Small Footprint; (2)SIP/DIP Package; (3)Low Ripple and good EMC features; (4)Temperature Range: -40°C ~ +85°C; (5)No Heat Sink Required; (6)No External Component Required; (7)1KVDC Isolation; (8)Internal SMD construction; (9)Continuous Short Circuit Protection; (10)Industry Standard Pinout; (11)RoHS Compliance.
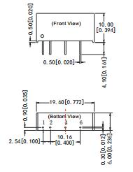
Diagrams

(China (Mainland))







