Product Summary
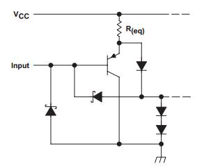
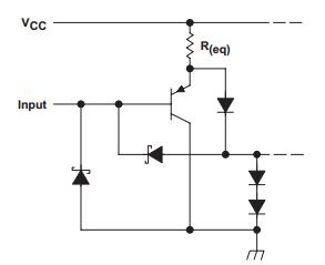
The SN75174N is a quadruple differential line driver. It is designed to meet the requirements of ANSI Standards EIA/TIA-422-B and RS-485 and ITU Recommendation V.11. The SN75174N is optimized for balanced multipoint bus transmission at rates up to 4 megabaud. Each driver features wide positive and negative common-mode output voltage ranges making it suitable for party-line applications in noisy environments.
Parametrics
SN75174N absolute maximum ratings: (1)supply voltage: 7V; (2)Output voltage range: -10 to 15V; (3)input voltage: 5.5V; (4)operating free-air temperature range: 0 to 70℃; (5)storage temperature range: -65 to 150℃; (6)lead temperature: 260℃.
Features
SN75174N features: (1)Meets or Exceeds the Requirements of ANSI Standards EIA/TIA-422-B and RS-485 and ITU Recommendation V.11; (2)Designed for Multipoint Transmission on Long Bus Lines in Noisy Environments; (3)3-State Outputs; (4)Common-Mode Output Voltage Range of –7 V to 12 V; (5)active-high enable; (6)thermal shutdown protection; (7)positive- and negative- current limiting; (8)Operates From Single 5-V Supply; (9)Low Power Requirements.
Diagrams

| Image | Part No | Mfg | Description | ![]() |
Pricing (USD) |
Quantity | ||||||||||||
|---|---|---|---|---|---|---|---|---|---|---|---|---|---|---|---|---|---|---|
![]() |
![]() SN75174N |
![]() Texas Instruments |
![]() Buffers & Line Drivers Quad Diff Line |
![]() Data Sheet |
![]()
|
|
||||||||||||
![]() |
![]() SN75174NE4 |
![]() Texas Instruments |
![]() Bus Transmitters Quad Differential Line Driver |
![]() Data Sheet |
![]()
|
|
||||||||||||
(China (Mainland))










