Product Summary
The TA75S393F is a single voltage comparator. It is designed to operate from a single power supply over a wide range of voltage.
Parametrics
TA75S393F absolute maximum ratings: (1)supply voltage: ±18V; (2)differential input voltage: 36V; (3)Input voltage: -0.3 to VCCV; (4)Operating temperature: -40 to 85℃; (5)storage temperature: -55 to 125℃.
Features
TA75S393F features: (1)Compatible to TA75393; (2)Small package; (3)single supply voltage range or dual supplies; (4)low supply current: 0.4mA; (5)low input offset volage; (6)wide input common modeo voltage ragne.
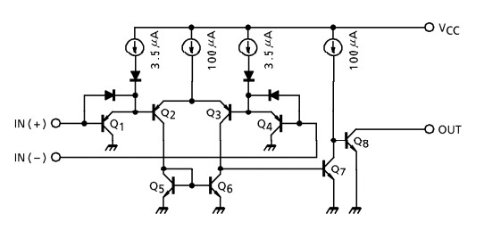
Diagrams

| Image | Part No | Mfg | Description | ![]() |
Pricing (USD) |
Quantity | ||||||||||||
|---|---|---|---|---|---|---|---|---|---|---|---|---|---|---|---|---|---|---|
![]() |
![]() TA75S393F |
![]() Other |
![]() |
![]() Data Sheet |
![]() Negotiable |
|
||||||||||||
![]() |
![]() TA75S393F(5LFJTN,F |
![]() Toshiba |
![]() Comparator ICs Operational Amp ICs & Comparatr ICs |
![]() Data Sheet |
![]()
|
|
||||||||||||
![]() |
![]() TA75S393FTE85LF |
![]() Toshiba |
![]() Comparator ICs x34 1 CIRCUIT OP AMP |
![]() Data Sheet |
![]()
|
|
||||||||||||
(China (Mainland))









