Product Summary
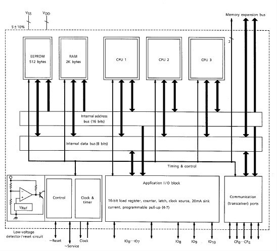
The TMPN3150B1AFG is a neuron chip which configures lonworks nodes in combination with external memory. Neuron chip has all the built-in communications and control functions required to implement lonworks nodes. The TMPN3150B1AFG may then be easily integrated into highly-reliable distributed intelligent control networks. The typical functions for this chip are explained below.
Parametrics
TMPN3150B1AFG absolute maximum ratings: (1)Power Supply Voltage VDD: -0.3 to 7.0 V; (2)Input Voltage VIN: -0.3 to VDD+0.3 V; (3)Power Dissipation PD: 800 mW; (4)Storage Temperature Tstg: -65~150 ℃.
Features
TMPN3150B1AFG features: (1)Eleven programmable I / O pins.; (2)Two programmable 16-bit timers and counters built in.; (3)34 different types of I / O functions to handle a wide range of input and output.; (4)ROM firmware image containing pre-programmed I / O drivers, greatly simplifying application programs. ( Stored in external ROM ); (5)Two CPUs for communication protocol processing built in The communications and application CPUs execute in parallel.; (6)Equipped with a built-in LonTalk protocol which supports all seven levels of the OSI reference model with ISO.; (7)Highly reliable communication protocol is supplied as firmware.; (8)Built-in twisted-pair wire transceiver; (9)Equipped with communications modes and communication speeds which support various types of external transceivers.; (10)Supports twisted-pair wire, power line, radio ( RF ), infrared, coaxial cables and fiber optics.; (11)Communication port transceiver modes and logical addresses stored within the EEPROM. Can be amended via the network.
Diagrams

| Image | Part No | Mfg | Description | ![]() |
Pricing (USD) |
Quantity | ||||
|---|---|---|---|---|---|---|---|---|---|---|
![]() |
![]() TMPN3150B1AFG |
![]() Other |
![]() |
![]() Data Sheet |
![]() Negotiable |
|
||||
![]() |
![]() TMPN3150B1AFG(I) |
![]() Toshiba |
![]() Network Controller & Processor ICs Neuron Chip w/ ext ROM I/F |
![]() Data Sheet |
![]() Negotiable |
|
||||
(China (Mainland))









