Product Summary
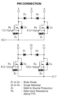
The UPA1501H is N-channel Power MOS FET Array that built in 4 circuits and surge absorber designed for solenoid, motor and lamp driver.
Parametrics
UPA1501H absolute maximum ratings:(1)Drain to Source Voltage: 120V; (2)Gate to Source Voltage:+20,-10V; (3)Drain Current(DC):±3.0A; (4)Drain Current(pulse):±12A; (5)Repetitive Peak Reverse Voltage: 140V; (6)Diode Forward Current:3.0A; (7)Total Power Dissipation(4 circuits):4.0W; (8)Channel Temperature: 150°C; (9)Storage Temperature: -55 to +150°C.
Features
UPA1501H features: (1).4 V driving is possible; (2). Low On-state Resistance; (3). Surge Absorber, built in.
Diagrams

(China (Mainland))







