Product Summary
The 6N140A/883B is a single, dual, and quad channel, hermetically sealed optocoupler. The 6N140A/883B is capable of operation and storage over the full military temperature range and can be purchased as either standard product or with full MIL-PRF-38534 Class Level H or K testing or from the appro priate DSCC Drawing. The applications of the 6N140A/883B are Military and aerospace, High reliability systems, Telephone ring detection, Microprocessor system interface, Transportation, medical, and life critical systems, Isolated input line receiver, EIA RS-232-C line receiver, Voltage level shifting, Isolated input line receiver, Isolated output line driver, Logic ground isolation, Harsh industrial environments, Current loop receiver, System test equipment isolation, Process control input/output isolation.
Parametrics
6N140A/883B absolute maximum ratings: (1)Storage Temperature:-65 to +150℃; (2)Operating Temperature:-55 to +125℃; (3)Case Temperature:+170℃; (4)Junction Temperature:+175℃; (5)Lead Solder Temperature:260℃ for 10 sec; (6)Output Current (each channel):40mA; (7)Output Voltage (each channel):-0.5 to 20V; (8)Supply Voltage:-0.5 to 20V; (9)Output Power Dissipation (each channel):50mW; (10)Peak Input Current (each channel, <1 ms duration):20mA; (11)Average Input Current (each channel):10mA; (12)Reverse Input Voltage (each channel):5V; (13)Package Power Dissipation (each channel):200mW.
Features
6N140A/883B features: (1)Dual marked with device part number and DSCC drawing number; (2)Manufactured and tested on a MIL-PRF-38534 Certifed Line; (3)QML-38534, Class H and K; (4)Five hermetically sealed package confgurations; (5)Performance guaranteed over full military temperature range: -55℃ to +125℃; (6)Low input current requirement: 0.5 mA; (7)High current transfer ratio: 1500% typical @ IF= 0.5 mA; (8)Low output saturation voltage: 0.11 V typical; (9)1500 Vdc withstand test voltage; (10)High radiation immunity; (11)6N138/9, HCPL-2730/31 function compatibility; (12)Reliability data.
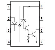
Diagrams

| Image | Part No | Mfg | Description | ![]() |
Pricing (USD) |
Quantity | ||||||||||
|---|---|---|---|---|---|---|---|---|---|---|---|---|---|---|---|---|
![]() |
![]() 6N140A/883B |
![]() Avago Technologies |
![]() Logic Output Optocouplers 4Ch 1500%CTR Hermetically sealed |
![]() Data Sheet |
![]()
|
|
||||||||||
![]() |
![]() 6N140A/883B#100 |
![]() Avago Technologies |
![]() Logic Output Optocouplers 4Ch 1500%CTR Hermetically sealed |
![]() Data Sheet |
![]()
|
|
||||||||||
![]() |
![]() 6N140A/883B#300 |
![]() Avago Technologies |
![]() Logic Output Optocouplers 4Ch 1500%CTR Hermetically sealed |
![]() Data Sheet |
![]()
|
|
||||||||||
![]() |
![]() 6N140A/883B#200 |
![]() Avago Technologies |
![]() Logic Output Optocouplers 4Ch 1500%CTR Hermetically sealed |
![]() Data Sheet |
![]()
|
|
||||||||||
![]() |
![]() 6N140A/883B#600 |
![]() Avago Technologies |
![]() Logic Output Optocouplers 4Ch 1500%CTR Hermetically sealed |
![]() Data Sheet |
![]()
|
|
||||||||||
(China (Mainland))










