Product Summary
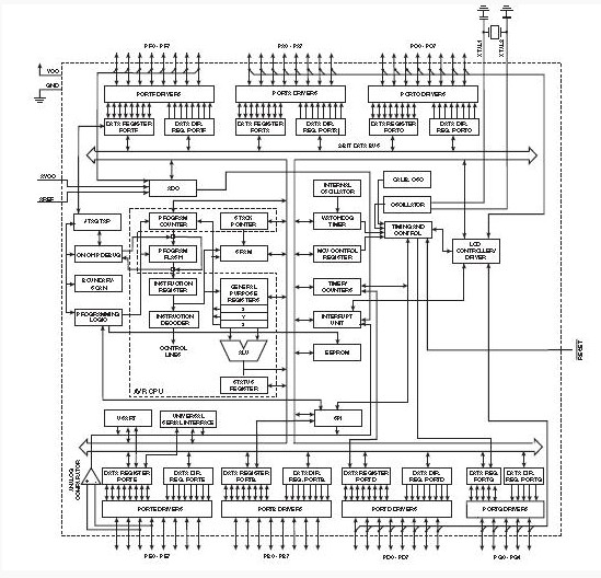
The ATMEGA169P-16AU is a low-power CMOS 8-bit microcontroller based on the AVR enhanced RISC architecture. By executing powerful instructions in a single clock cycle, the ATMEGA169P-16AU achieves throughputs approaching 1 MIPS per MHz allowing the system designer to optimize power consumption versus processing speed. The device is manufactured using Atmel high density non-volatile memory technology. The ATMEGA169P-16AU is a powerful microcontroller that provides a highly flexible and cost effective solution to many embedded control applications. It is supported with a full suite of program and system development tools including: C Compilers, Macro Assemblers, Program Debugger/Simulators, In-Circuit Emulators, and Evaluation kits.
Parametrics
ATMEGA169P-16AU absolute maximum ratings: (1)Operating Temperature:-55 to +125 ℃ ; (2)Storage Temperature:-65 to +150℃;(3)Voltage on any Pin except RESET with respect to Ground:-0.5V to VCC+0.5V;(4)Voltage on RESET with respect to Ground:-0.5V to +13.0V;(5)Maximum Operating Voltage:6.0V;(6)DC Current per I/O Pin:40.0mA;(7)DC Current VCC and GND Pins:400.0mA.
Features
ATMEGA169P-16AU features:(1)High Performance, low power;(2)Advanced RISC Architecture;(3)Non-volatile Program and Data Memories;(4)JTAG (IEEE std. 1149.1 compliant) Interface;(5)Power-on Reset and Programmable Brown-out Detection;(6)Internal Calibrated Oscillator;(7)4 x 25 Segment LCD Driver;(8)Two 8-bit Timer/Counters with Separate Prescaler and Compare Mode;(9)8-channel, 10-bit ADC;(10)64-lead TQFP and 64-pad QFN/MLF.
Diagrams

| Image | Part No | Mfg | Description | ![]() |
Pricing (USD) |
Quantity | ||||||||||||
|---|---|---|---|---|---|---|---|---|---|---|---|---|---|---|---|---|---|---|
![]() |
![]() ATMEGA169P-16AU |
![]() Atmel |
![]() 8-bit Microcontrollers (MCU) AVR 16K FLASH 512B EE 1K SRAM LCD ADC |
![]() Data Sheet |
![]()
|
|
||||||||||||
![]() |
![]() ATMEGA169P-16AUR |
![]() Atmel |
![]() 8-bit Microcontrollers (MCU) AVR,16KB FLASH,20MHZ IND TEMP 5V |
![]() Data Sheet |
![]()
|
|
||||||||||||
(China (Mainland))










