Product Summary
The B14NK60Z is a zener-protected superMESH MOSFET.
Parametrics
B14NK60Z absolute maximum ratings: (1)drain-source voltage: 600V; (2)drain-gate voltage: 600V; (3)gate-source voltage: ±30V; (4)drain current: 13.5A; (5)drain current: 54A; (6)gate source ESD: 4000V.
Features
B14NK60Z features: (1)typical RDS=0.45Ω; (2)extremely high dv/dt capability; (3)100% avalanche tested; (4)gate charge minimized; (5)very low intrinsic capacitances; (6)very good manufacturing repeatibiltity.
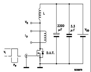
Diagrams

(China (Mainland))







