Product Summary
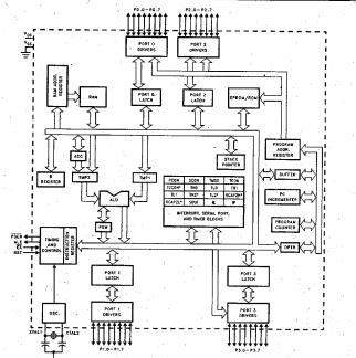
The MD87C51 is a CHMOS single-chip 8-bit microcontroller with 4 KBYTES of eprom program memory. It contains 4Kbytes of on-chip program memory that can be electrically programmed, and can be erased by exposure to ultraviolet light. The extremely low operating power, along with the two reduced power modes, idle and power down, make this part very suitable for low power applications.
Parametrics
MD87C51 absolute maximum ratings: (1)case temperature under bias: -55 to 125℃; (2)storage temperature: -65 to 150℃; (3)voltage on EA/VPP pin to VSS: 0 to 13V; (4)voltage on any other pin to VSS: -0.5 to 6.5V; (5)power dissipation: 1.5W.
Features
MD87C51 features: (1)high performance CHMOS EPROM; (2)quick-pulse programming algorithm; (3)boolean processor; (4)32 programmable I/O lines; (5)5 interrupt sources; (6)programmable serial channel; (7)IDLE and power down modes.
Diagrams

(China (Mainland))






