Product Summary
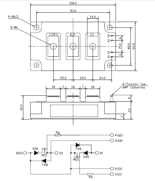
The PDM1405HA is a dual MOSFET module.
Parametrics
PDM1405HA absolute maximum ratings: (1)Drain-Source Voltage (VGS=0V) VDSS: 500 V; (2)Gate - Source Voltage VGSS: +/ - 20 V; (3)Continuous Drain Current (Duty=50%) : 140 A (Tc=25℃); (4)Pulsed Drain Current IDM: 280 A (Tc=25℃); (5)Total Power Dissipation PD: 880 W(Tc=25℃); (6)Operating Junction Temperature Range Tjw: -40℃ to +150℃; (7)Storage Temperature Range Tstg: -40℃ to +125℃; (8)Isolation Voltage Terminals to Base AC, 1 min.) VISO: 2000 V.
Features
PDM1405HA features: (1)Dual MOSFET Cascaded Circuit; (2)Prevented Body Diode of MOSFETs by SBDs, and Ultra Fast Recovery Diode Connected in Parallel; (3)300KHz High Speed Switching Possible TYPICAL APPLICATION; (4)Power Supply for the Communications and the Induction Heating.
Diagrams

| Image | Part No | Mfg | Description | ![]() |
Pricing (USD) |
Quantity | ||||
|---|---|---|---|---|---|---|---|---|---|---|
![]() |
![]() PDM1405HA |
![]() Other |
![]() |
![]() Data Sheet |
![]() Negotiable |
|
||||
| Image | Part No | Mfg | Description | ![]() |
Pricing (USD) |
Quantity | ||||
![]() |
![]() PDM1405HA |
![]() Other |
![]() |
![]() Data Sheet |
![]() Negotiable |
|
||||
(China (Mainland))









