Product Summary
The BTA216-600D is a Three quadrant triac. It balances the requirements of commutation performance and gate sensitivity. The BTA216-600D is intended for interfacing with the low power driver, including the micro controller.
Parametrics
BTA216-600D absolute maximum ratings: (1)VDRM Repetitive peak off-state voltages: - 600 V; (2)IT(RMS) RMS on-state current (full sine wave; Tmb ≤ 99℃: 16 A; (3)ITSM Non-repetitive peak on-state current(t = 20 ms): 140 A; (4)ITSM Non-repetitive peak on-state current(t = 16.7 ms): 150 A; (5)I2t for fusing (t = 10 ms): 98 A2s; (6)dIT/dt Repetitive rate of rise of on-state current after triggering): - 100 A/μs; (7)IGM Peak gate current: 2 A; (8)VGM Peak gate voltage: 5 V; (9)PGM Peak gate power: 5 W; (10)PG(AV) Average gate power (over any 20 ms period): - 0.5 W; (11)Tstg Storage temperature: -40℃ to 150℃; (12)Tj Operating junction temperature: 125℃.
Features
BTA216-600D features: (1)Critical rate of rise of off-state voltage MIN.: 60 V/μs; (2)Critical rate of change of commutating current(dVcom/dt = 20v/μs): 1.8 A/ms; (3)Critical rate of change of commutating current(dVcom/dt = 0.1v/μs): 4.3 A/ms; (4)Gate controlled turn-on time: 2 μs.
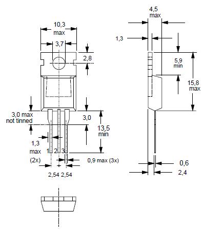
Diagrams
-
| Image | Part No | Mfg | Description | ![]() |
Pricing (USD) |
Quantity | ||||||||||||
|---|---|---|---|---|---|---|---|---|---|---|---|---|---|---|---|---|---|---|
![]() |
![]() BTA216-600D |
![]() NXP Semiconductors |
![]() Triacs RAIL TRIAC |
![]() Data Sheet |
![]() Negotiable |
|
||||||||||||
![]() |
![]() BTA216-600D,127 |
![]() NXP Semiconductors |
![]() Triacs RAIL TRIAC |
![]() Data Sheet |
![]()
|
|
||||||||||||
(China (Mainland))









