Product Summary
The KCU20A40 is a low forward voltage drop. Its applications include fpasma display panel, movable communication base power supply.
Parametrics
KCU20A40 absolute maximum ratings: (1)repetitive peak reverse voltage: 300V; (2)average rectified output current: 20A; (3)RMS forward current: 22.2A; (4)surge forward current: 120A; (5)operating junction temperature range: -40 to 150℃; (6)storage temperature range: -40 to 150℃; (7)mounting torque: recommended value.
Features
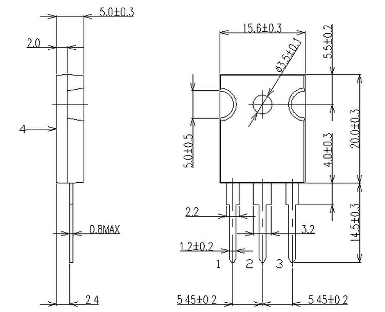
KCU20A40 features: (1)Similar to TO-247AC Case; (2)Dual Diodes – Cathode Common; (3)Ultra – Fast Recovery; (4)Low Forward Voltage Drop; (5)High Surge Capability.
Diagrams

(China (Mainland))







