Product Summary
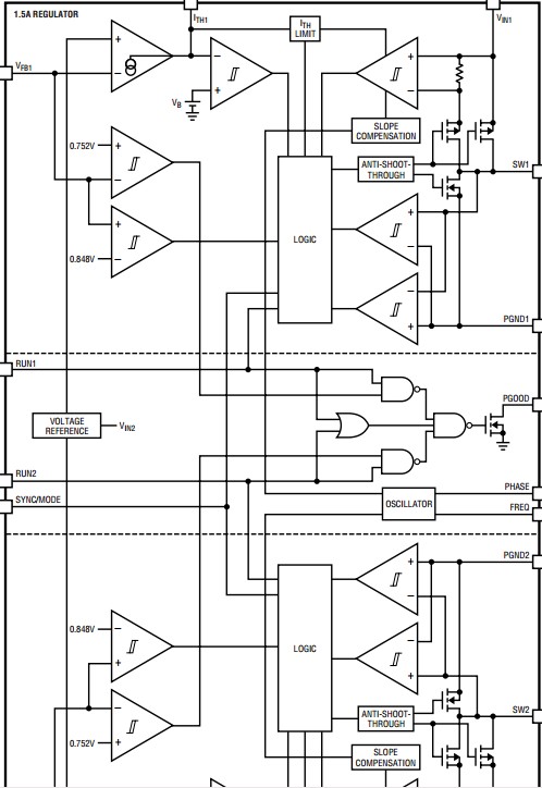
The LTC3417AEDH is a dual constant frequency, synchronous step-down DC/DC converter. Intended for medium power applications, it operates from a 2.25V to 5.5V input voltage range and has a constant programmable switching frequency, allowing the use of tiny, low cost capacitors and inductors 2mm or less in height.
Parametrics
LTC3417AEDH absolute maximum ratings: (1)VIN1, VIN2 Voltages:–0.3V to 6V; (2)PGOOD Voltage:–0.3V to 6V; (3)Operating Ambient Temperature Range:–40°C to 85°C; (4)Junction Temperature: 125°C; (5)Storage Temperature Range: –65°C to 125°C.
Features
LTC3417AEDH features: (1)High Efficiency: Up to 95%; (2)1.5A/1A Guaranteed Minimum Output Current; (3)Synchronizable to External Clock; (4)No Schottky Diodes Required; (5)Programmable Frequency Operation: 1.5MHz or Adjustable From 0.6MHz to 4MHz; (6)Short-Circuit Protected; (7)Current Mode Operation for Excellent Line and Load Transient Response; (8)Power Good Output; (9)Internal Soft-Start with Individual Run Pin Control.
Diagrams

| Image | Part No | Mfg | Description | ![]() |
Pricing (USD) |
Quantity | ||||||||||
|---|---|---|---|---|---|---|---|---|---|---|---|---|---|---|---|---|
![]() |
![]() LTC3417AEDHC#PBF |
![]() |
![]() IC REG BUCK SYNC ADJ DL 16DFN |
![]() Data Sheet |
![]()
|
|
||||||||||
![]() |
![]() LTC3417AEDHC#TRPBF |
![]() |
![]() IC REG BUCK SYNC ADJ DL 16DFN |
![]() Data Sheet |
![]()
|
|
||||||||||
![]() |
![]() LTC3417AEDHC-2#TRPBF |
![]() |
![]() IC REG BUCK SYNC ADJ DL 16DFN |
![]() Data Sheet |
![]()
|
|
||||||||||
![]() |
![]() LTC3417AEDHC-1#PBF |
![]() |
![]() IC REG BUCK SYNC ADJ DL 16DFN |
![]() Data Sheet |
![]()
|
|
||||||||||
![]() |
![]() LTC3417AEDHC-1#TRPBF |
![]() |
![]() IC REG BUCK SYNC ADJ DL 16DFN |
![]() Data Sheet |
![]()
|
|
||||||||||
![]() |
![]() LTC3417AEDHC-2#PBF |
![]() |
![]() IC REG BUCK SYNC ADJ DL 16DFN |
![]() Data Sheet |
![]()
|
|
||||||||||
(China (Mainland))










