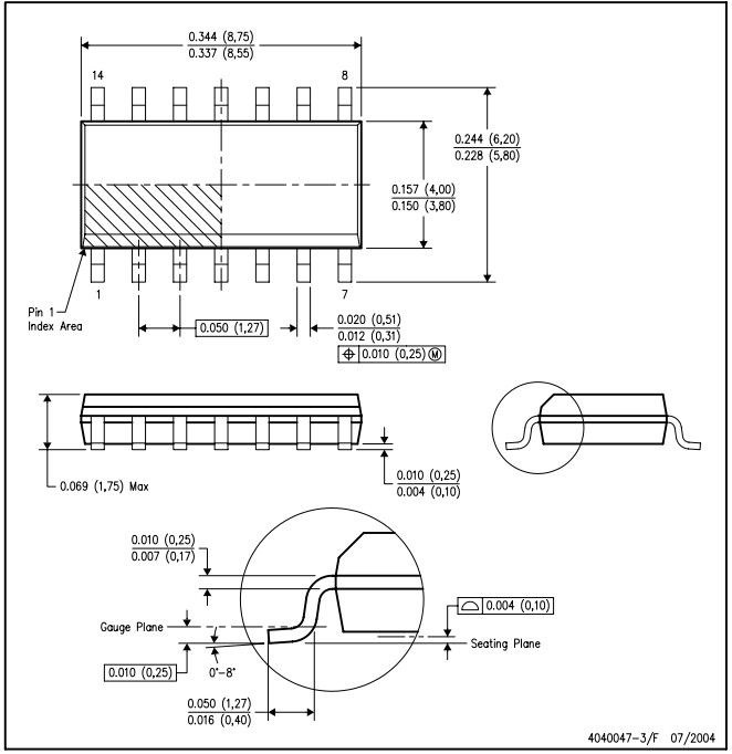
Product Summary
The SN74HC32N devices contain four independent 2-input OR gates. It can be applied in audio, automotive, broadband, digital control, optical networking, telephony, and wireless, etc.
Parametrics
SN74HC32N absolute maximum ratings: (1)Supply voltage range, VCC: –0.5 V to 7 V; (2)Input clamp current: ±20 mA; (3)Output clamp current: ±20 mA; (4)Continuous output current: ±25 mA; (5)Continuous current through VCC or GND: ±50 mA.
Features
SN74HC32N features: (1)Wide Operating Voltage Range of 2 V to 6 V; (2)Outputs Can Drive Up To 10 LSTTL Loads; (3)Low Power Consumption, 20-μA Max Icc; (4)±4-mA Output Drive at 5 V; (5)Low Input Current of 1 μA Max.
Diagrams

| Image | Part No | Mfg | Description | ![]() |
Pricing (USD) |
Quantity | ||||||||||||
|---|---|---|---|---|---|---|---|---|---|---|---|---|---|---|---|---|---|---|
![]() |
![]() SN74HC32N |
![]() Texas Instruments |
![]() Gates (AND / NAND / OR / NOR) Quad 2-Input |
![]() Data Sheet |
![]()
|
|
||||||||||||
![]() |
![]() SN74HC32NE4 |
![]() Texas Instruments |
![]() Gates (AND / NAND / OR / NOR) Quadruple 2-Input Positive-OR Gates |
![]() Data Sheet |
![]()
|
|
||||||||||||
![]() |
![]() SN74HC32NSR |
![]() Texas Instruments |
![]() Gates (AND / NAND / OR / NOR) Quadruple 2-Input Positive-OR Gates |
![]() Data Sheet |
![]()
|
|
||||||||||||
![]() |
![]() SN74HC32NSRG4 |
![]() Texas Instruments |
![]() Gates (AND / NAND / OR / NOR) Quadruple 2-Input Positive-OR Gates |
![]() Data Sheet |
![]()
|
|
||||||||||||
![]() |
![]() SN74HC32NSRE4 |
![]() Texas Instruments |
![]() Gates (AND / NAND / OR / NOR) Quadruple 2-Input Positive-OR Gates |
![]() Data Sheet |
![]()
|
|
||||||||||||
(China (Mainland))









